澆口系統是熔煉爐和鋁合金壓鑄件的接口位置,是鋁液進入壓鑄模具型腔的入口,是怎么壓鑄工藝的關鍵部位,同時也是最容易出現問題的部位。
鋁合金壓鑄根據澆口形狀大致有這么幾類:
1、直接澆口

一般采用這種澆口的是一模一件的鋁合金壓鑄件,多用于中、大型鋁合金壓鑄件。
直接澆口的優點:
1.鋁合金壓鑄過程中的溫降、壓力損失小。
2.流道鋁料損失小。
3.很好補縮效果,鋁合金壓鑄件縮孔的缺陷產生的比較少。
缺點:
1.去除流道料困難,增加了CNC加工和毛邊部門的工時。
2.由于在鋁合金壓鑄件上留下較大的切口,影響外觀,處理的工序也很繁瑣。
2、側澆口

側澆口的優、缺點:
優點:
容易加工;鋁合金壓鑄件尺寸精確,澆口尺寸容易加工修改;分離容易,可防止射出過程中發生逆流。
缺點:
澆口移除的后加工比較麻煩;鋁合金壓鑄件表面有澆口移除留下的痕跡,較不美觀;壓力損失大。總而言之,會增加加工的工時,還會留下報廢的隱患。
3、潛伏式澆口
潛伏式澆口的兩種方式:
(1)潛后模:鋁合金壓鑄件的內部結構(筋位、柱位);推桿位。

(2)潛前模:直接潛產品的外表面

潛伏式澆口的優、缺點
優點:
澆口與產品可自動分離,節省后加工工程;進膠位置可自由選擇,殘痕少,模具結構相對簡單。
缺點:壓力損失大,只能夠適用于小型的鋁合金壓鑄件。
4、點澆口
截面形狀小如針點的澆口。(圓形截面Φ0.5~Φ1.8)
分流道開設在A板和水口板之間,可單邊開設,亦可兩邊同時開設。
經常是在A板背面單邊開設。

優點:
去除澆口后,鋁合金壓鑄件上留下的痕跡不明顯。
可利用開模動作自動拉斷。
可采用多點進料,從而縮短流程,減少熔接痕。
澆口附近殘留應力小,多點可以減少鋁合金壓鑄產品變形。
缺點:
壓降大,模具結構相對比較復雜,開模費用高,生產過程中產品會產生毛邊,加工工時增加。
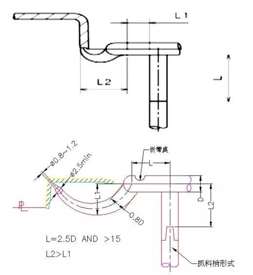
5、牛角進澆

牛角進澆是潛伏澆口的一種變形,因其有很多特出的優點:
1.澆口和鑄件可自動分離;
2.無需對澆口位置進行另外處理:
3.不會在鑄件的外觀面產生澆口痕跡),因而運用越來越廣泛。特別適用于制品的外表面不允許有任何不良痕跡的模具。如手機外殼,充電器等。